
Złączki wtykowe z gwintem grodziowym w rozmiarach 1/4" do 1/2".
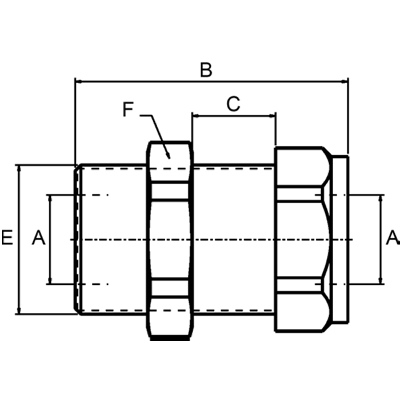
Parametry techniczne |
|
| Temperatura pracy | -30°C — +100°C |
| Materiał złącza | stal hartowana |

| Wtyki WEO z gwintem grodziowym | |||||||
| przyłącze | Ciśnienie robocze | A | B | C | F | nr produktu | |
Złącze 1/4" |
M20x1.5 | 350 bar (5080 PSI) | 10 mm | 42.8 mm | 0-18 mm | 22 mm | 148130444 |
Złącze 3/8" |
M26x1.5 | 350 bar (5080 PSI) | 13 mm | 50.8 mm | 0-25 mm | 27 mm | 148130646 |
Złącze 1/2" |
M30x2 | 350 bar (5080 PSI) | 16 mm | 50 mm | 0-25 mm | 32 mm | 148130848 |